แผ่นแอกประเภท LXV
| แบบจำลองเครือข่ายของรัฐ | ขนาดหลัก | โหลดความล้มเหลวเล็กน้อย | น้ำหนัก | |||||
| B | Φ | Φ1 | H | L | ||||
| LXV-10400/1 | 16 | 20 | 20 | 100 | 400 | 100 | 5.03 | |
| LXV-12400/1 | 16 | 24 | 24 | 100 | 400 | 120 | 5.74 | |
| LXV-16400/1 | 18 | 26 | 26 | 120 | 400 | 160 | 7.37 | |
| LXV-16500/1 | 18 | 26 | 26 | 120 | 500 | 160 | 9.07 | |
| LXV-16600/1 | 18 | 26 | 26 | 120 | 600 | 160 | 10.78 | |
| แบบจำลองเครือข่ายของรัฐ | ขนาดหลัก | โหลดความล้มเหลวเล็กน้อย | น้ำหนัก | |||||
| B | Φ | Φ1 | H | L | ||||
| LXV-10400/2 | 16 | 20 | 20 | 100 | 400 | 100 | 7.96 | |
| LXV-10500/2 | 16 | 20 | 20 | 100 | 500 | 100 | 9.81 | |
| LXV-10600/2 | 16 | 20 | 20 | 100 | 600 | 100 | 11.66 | |
| LXV-12400/2 | 16 | 24 | 20 | 100 | 400 | 120 | 8.36 | |
| LXV-12500/2 | 16 | 24 | 20 | 100 | 500 | 120 | 10.29 | |
| LXV-12600/2 | 16 | 24 | 20 | 100 | 600 | 120 | 12.22 | |
| LXV-16400/2 | 18 | 26 | 20 | 120 | 400 | 160 | 10.84 | |
| LXV-16500/2 | 18 | 26 | 20 | 120 | 500 | 160 | 13.32 | |
| LXV-16600/2 | 18 | 26 | 20 | 120 | 600 | 160 | 15.80 | |
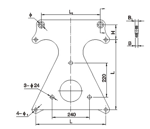
| แบบจำลองเครือข่ายของรัฐ | ขนาดหลัก | โหลดความล้มเหลวเล็กน้อย | น้ำหนัก | |||||||
| H | L1 | L | Φ | Φ1 | B | B1 | ||||
| LXV-16450 | 95 | 380 | 450 | 26 | 20 | 18 | / | 160 | 24.93 | |
| LXV-16500 | 95 | 380 | 500 | 26 | 20 | 18 | / | 160 | 31.12 | |
| LXV-21450 | 95 | 380 | 450 | 26 | 20 | 16 | 20 | 210 | 22.20 | |
| LXV-21450 | 95 | 380 | 500 | 26 | 20 | 16 | 20 | 210 | 27.71 | |
| LXV-32450 | 95 | 380 | 450 | 33 | 20 | 18 | 28 | 320 | 25.91 | |
| LXV-32500 | 95 | 380 | 500 | 33 | 20 | 18 | 28 | 320 | 31.93 | |










